统一服务热线:025-83310009/胡先生

运动控制领域步进电机制造商

致力为客户提供各种解决方案
[ 步进电机驱动器 ]
[ 混合式步进电机 ]
[ 混合式丝杆电机 ]
[ 偏心减速步进电机 ]
[ 行星减速步进电机 ]
[ 混合式闭环电机 ]
[ 混合式刹车电机 ]
4产品中心
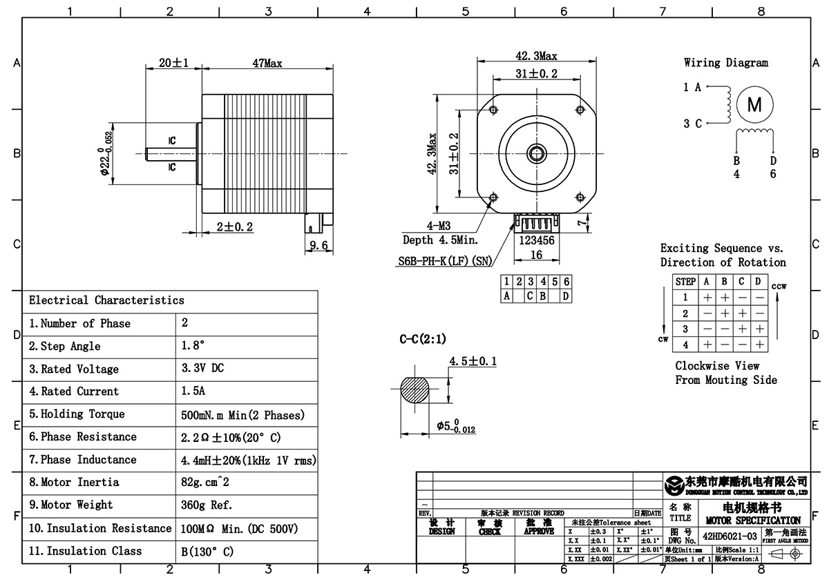
42HD6021-03
42HD6021-03
42HD6021-03
     

42HD6021-03

 详情说明

法兰面

电机型号

机身长度(mm)

保持力矩(N.M)

额定电流(A)

转子惯量(g.cm2)

轴径(mm)

适配驱动器

42mm

42HD34001-01

34

280

1.5

38

5

MC2/MC4

42HD40001-01

40

400

1.5

57

5

MC2/MC4

42HD48001-01

48

500

1.5

82

5

MC2/MC4

42HD60001-01

60

700

1.5

128

5

MC2/MC4



南京步进电机技术有限公司 版权所有 Copyright 【BMAP】 【GMAP
关键词:步进电机 | 步进电机厂家 | 东莞步进电机【苏ICP备21032981-1号
收缩
  • 电话咨询

  • 在线咨询
  • 025-83310009
  • 188 3771 7675