统一服务热线:025-83310009/胡先生

运动控制领域步进电机制造商

致力为客户提供各种解决方案
[ 步进电机驱动器 ]
[ 混合式步进电机 ]
[ 混合式丝杆电机 ]
[ 偏心减速步进电机 ]
[ 行星减速步进电机 ]
[ 混合式闭环电机 ]
[ 混合式刹车电机 ]
4产品中心
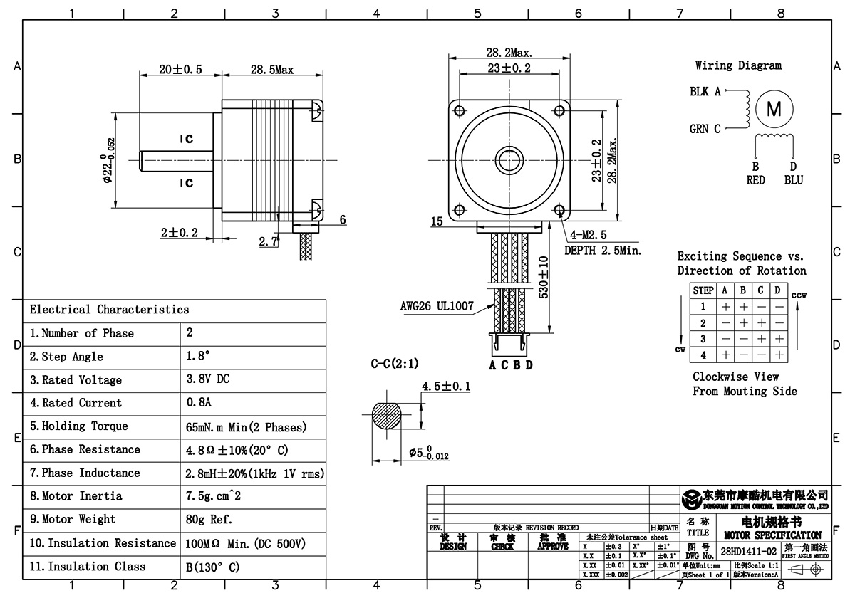
28HD1411-02
28HD1411-02
28HD1411-02
  

28HD1411-02

 详情说明

法兰面

电机型号

机身长度(mm)

保持力矩(N.M)

额定电流(A)

转子惯量(g.cm2)

轴径(mm)

适配驱动器

28mm

28HD28001-01

28.5

65

0.8

7.5

5

MC2

28HD41001-01

41

100

0.9

13

5

MC2

28HD52001-01

52

110

0.6

25

5

MC2




南京步进电机技术有限公司 版权所有 Copyright 【BMAP】 【GMAP
关键词:步进电机 | 步进电机厂家 | 东莞步进电机【苏ICP备21032981-1号
收缩
  • 电话咨询

  • 在线咨询
  • 025-83310009
  • 188 3771 7675